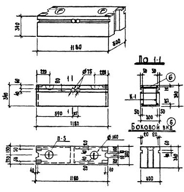
ВБ-12.3.3

Чертеж изделия:
Чертеж ВБ-12.3.3
Характеристики изделия:
ПараметрЗначение
Длина1180 мм
Ширина300 мм
Высота340 мм
Масса205 кг
Нормативный документСерия 1.134-1

ВБ-12.3.3   Блоки внутренних стен горизонтальные по Серии 1.134-1.